HW Lab
2026年2月2日掲載

乾電池式で、よく使う周波数だけを何種類か発振させ、その周波数をロータリースイッチで切り替えるオーディオ・ジェネレーター(AG)を製作します。
信号を発生させる素子にはタイマーICで有名な555を使用します。555はバイポーラタイプのNE555がよく知られていますが、今回の製作は電源を乾電池とするため、消費電流の抑制、また発振周波数をMHz台まで持ち上げたいということもあり、CMOSタイプのLMC555を使います。

図1. タイマーIC 555の外観。バイポーラタイプもCMOSタイプも同じ形状

図2. LMC555とNE555の比較表
LMC555は、バイポーラ―タイプのNE555と同じように使えます。発振周波数の計算式も同じです。今回はタイマーICの三つのモード、(1)単安定(Monostable)モード、(2)無安定(Astable)モード、(3)双安定(Bistable)モードのうち、電圧を加えると外部からのトリガなしで自動的に発振し続ける無安定モードを使ったマルチバイブレーター(Astable multivibrator)動作とします。
無安定マルチバイブレーターの基本回路を図3に示します。この回路に示したRa、Rb、Cの値で発振周波数を決めることができます。

図3. 無安定マルチバイブレーターの基本回路と発振周波数の計算式
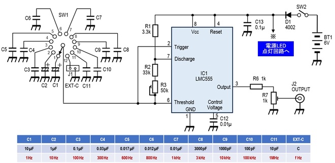
製作する切り替え式オーディオ・ジェネレーターの全回路図を図4に示します。この回路に付加する回路を図5に示しますが、この回路の追加は任意です。後述します。

図4. LMC555を使ったオーディオ・ジェネレーターの全回路

図5. 電源LED点灯回路
(1) 発振周波数の選択
出力信号は、IC1 pin3から出力されます。今回の製作では、出力する信号を普段の実験や運用でよく使う1Hz~1MHzまでの11種類の周波数を選択しました。それに加えて、任意のコンデンサ接続(EXT-C)によるポジションも設けました(図6)。

図6. 12番目のポジションとして任意のコンデンサを接続できるEXT-Cソケットを追加
ロータリースイッチの切り替えポジションと発振周波数の対応表(図7)を掲載しました。手持ちのロータリースイッチが1回路12接点であったため、そのまま使用しています。

図7. ロータリースイッチのポジションと発振周波数の対応表
(2) 発振周波数の計算
IC1 pin3から出力される信号の周波数は、C1~C11とEXT-Cに接続されるコンデンサの値で決定します。図4の回路図に示した、ロータリースイッチのポジションとコンデンサの容量、また発振周波数の対応表は公式で求めた計算値であり、実際はこのとおりの周波数が正確に出力されるものではありません。
そこは、カットアンドトライで詰めていくしかありません。発振周波数が、10kHz以上になるとCの値はpF(ピコファラド)台となるため、特に出力信号の周波数の精度はよくありません。
LMC555のスペックでは発振周波数の上限は3MHzとなっています。3MHzの発振では計算上のCの値は3.3pFとなります。EXT-Cのソケットには3.3pFに近い4pFのコンデンサを取付けましたが、発振周波数は計算とは程遠い1.4MHzでした。この4pFをソケットから外しても出力信号の周波数は1.4MHzでした。
つまりコンデンサを取付けなくても配線間の容量が数pFあり、この容量で動作していたことになります。今回の製作では1.4MHzが発振出力の上限でした。
(3) 出力信号のデューティ比
出力信号は正弦波ではありませんが、デューティ比はできるだけ約50%に近づけるようにします。図3に示す波形ではTH=TLの時が50%となります。デューティ比は、計算上Raが0(ゼロ)Ωの時が50%となりますが、555のスペック上Ra≠0としない条件があるので、Rbに対してできるだけ低い抵抗値とします。

図8. 1kHz出力時のデューティ比は約50%(TH≒TL)
(4) 電源オン時に点灯するLED
図4に示した回路図中に「電源LED点灯回路」と青色で示した部分があります。ここには、図5に示した回路を接続します。この回路は接続しなければ555が動作しないというものではありません。なくてもOKです。
この回路は、電源スイッチをオンにすると一瞬だけLEDが点灯し、電源がオンになったことを知らせる回路です。この回路は乾電池動作としているため、LEDの常時点灯では電池の消耗を早めるため、これはそれを防ぐための回路です。
次ページは「製作~まとめ」
HW Lab バックナンバー
アマチュア無線関連機関/団体
各総合通信局/総合通信事務所
アマチュア無線機器メーカー(JAIA会員)
©2026 月刊FBニュース編集部 All Rights Reserved.