新・エレクトロニクス工作室
2026年2月16日掲載
KCS、つまり熊本シティスタンダードにはSSBジェネレータとトランスバータの基板があり、JA6BI田縁さんがCQ誌1981年7月号で発表されました。KCSという略称は、後々になって言われたものだと思います。使用する部品はさすがに古いのですが、45年たった今でも作製は可能です。当時は秋月電子よりキットが売られ、私も大変お世話になりました。最近では基板を外注で作れるようになりましたので、回路は概ね踏襲しつつ令和版として写真1のように作ってみました。今回は中心となるSSBジェネレータの基板を紹介します。今後はトランスバータ基板等に広げて行く予定です。

写真1 基板を外注して作った「令和版 KCS SSBジェネレータ」
いくら何でも全く同じ基板を作るわけには行きません。まず、当時の写真2のような半固定VRとトリマーコンデンサは既に入手が困難です。そこで現在でも入手できる写真3の部品に置き換えました。

写真2 昔のキットで使われていたが、今では入手困難の半固定VRとトリマー

写真3 現在入手のできる半固定VRとトリマーに変更
基板のサイズですが、100mm×100mmと少々大きかったのを3/4程度の85mm×90mmにしました。個人的にはもう少し小型化したかったのですが、まあ仕方ないでしょう。コイルは10mm角から7mm角に、抵抗は1/4Wから1/6Wとしました。抵抗は10mmの間に寝かせて付けるようにしました。また、セラミックコンデンサは2.5mm幅に統一しました。オリジナル基板では、入れる場所に合わせてスズメッキ線の間隔を調整する必要がありました。今回は、抵抗は足を90度に曲げると入れる事ができます。コンデンサはそのまま入ります。これで作り勝手が各段と良くなりました。但し5mm幅のコンデンサは使えませんので、これは良し悪しの部分でもあります。
ダイオードの1N60は1SS106を使う事とし、寝かせて付けるようにしました。1N60でも使えますが、オリジナルと同じように縦にする必要があります。これはどちらでも良いと思います。
また両面基板のため、グランド部分としては両面を使って広くカバーするようにしました。ジャンパー線は全くありません。但し、各端子は回路近くに置きました。その端子にはJSTのEHコネクタを使いました。あろうことか多少の無理は承知の上で、IFの入出力にも使っています。何枚もの基板を作ってテストする予定がある、私の都合でもあります。EHコネクタでなくても、写真4のようにピンヘッダを使ってハンダ付しても良いと思います。2.5mm間隔の他のコネクタでも使えるかと思いますが、試してはいません。オリジナルの基板はハトメでしたが、基板外に接続部分のスペースが必要になってしまいます。コネクタやピンヘッダだと高さを使いますので、効率良くスペースを使う事ができます。トータルとしてケースを小型化できます。もちろん、コネクタだと取り外しも容易になりますので、基板の修理やチェックも楽になります。

写真4 JSTのEHコネクタを使ったが、ピンヘッダを使ってハンダ付けしても良い
マイクアンプは、図1のようなオペアンプを使ったオーソドックスな回路でした。

図1 マイクアンプのオリジナル回路
さすがにオペアンプのµA741は入手難ですので、図2のように秋月電子で入手可能なOP07Nを使いました。ピンアサインは同じですので、どちらでも同じように使えます。他に使えそうなオペアンプもありそうです。ゲインはダイナミックマイクが想定されていたのではないでしょうか。コンデンサマイクを使うとゲインが大き過ぎるので、入力の半固定VRを下げる事になります。ほとんど極限まで下げる事になり、S/Nが悪くなってしまいました。そこでコンデンサマイクに合わせてR18を10kΩに変更し、ゲインを下げました。これで半固定VRは適度な位置になり、調整もやりやすくなります。ダイナミックマイクを使うのであれば、R18を100kΩに戻せば良いはずです。私はコンデンサマイクしか使った事がありませんが、感度は20dB程度異なります。また、使用状況にも左右されますので、最適なゲインは本人が決めるしかありません。一応この値で半固定VRの調整範囲に入ると思います。また、コンデンサマイクを使う時の電源は自分で付ける必要がありました。そこで、JP3のジャンパーで電源の有無を選べるようにしました。もちろん不要であれば省略して下さい。

図2 マイクアンプの変更後回路
次にキャリア発振回路ですが、図3がオリジナルです。水晶によっては周波数が合わせられない時がありました。また、電源の安定化に6Vのツェナーダイオードを使っていました。

図3 キャリア発振のオリジナル回路
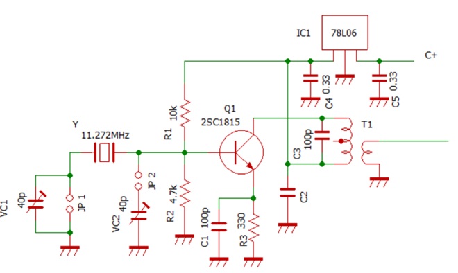
これは図4のように、ジャンパーでトリマーの位置を選べるようにしました。また、ツェナーダイオードは78L06に変更しました。今では、レギュレータICの方が入手容易と思います。

図4 キャリア発振の変更後回路
オリジナルの基板では、図3のキャリア発振回路のコイルT1にFCZコイル等を使うと電源が地絡しました。これは図3を見ても解りませんが、基板では一次側のセンタータップがアースになっていたためです。このようなトラップは無いようにしました。従ってFCZコイルも、その互換コイルも使用できます。ただ、私も苦労した事があるのですが、T1は同調すれば良いというものではないのです。表1はオリジナルのコイル(7.8MHz)の説明です。このように一次側の巻き数は他と同じですが、二次側の巻き数は他よりも微妙に多いのです。これを気にせずに作った時にキャリアヌルの調整が全くできず、途方に暮れました。

表1 コイルの巻数の指定(T7は不使用、巻数も容量も要調整)
さんざん苦労して気が付いたのは、下がらないのはキャリア発振回路の出力インピーダンスが低過ぎるためと気が付きました。そのため、僅かですが二次側の巻き数が多く指定されていたようです。これに気が付かなかった私の失敗でした。FCZコイルの場合、二次側の巻き数が比較的多い設計になっています。そのため、そのままでも問題はありませんが、他のコイルでは注意が必要です。これを守れば、キャリアヌルの調整は問題ないはずです。同調という面ではシールドケース内のコアやボビンの特性によりますので、表1で必ず同調するという事ではありません。特性を考えながら、表1を参考にコンデンサも含めて調整が必要です。後述しますが、入手できればFCZコイル相当で良いと思います(もちろんIFの周波数によります)。
トランスバータ基板への入出力回路は、図5のようにコイルを巻いてタップを取るようになっていました。これは表1にあります。このタップの位置がセンターではなく、コールドエンドから3回と極端にアース側に寄っていました。これはインピーダンスをトランスバータ基板のDBMに合わせるためで、FCZコイルのような標準的な巻き方では使えませんでした。

図5 クリスタルフィルタの入出力のオリジナル回路
もっと簡単にするため図6のようなトリファイラ巻きでも9:1ができますので、500Ωからほぼ50Ωに変換できます。これは過去に何回も使いました。

図6 クリスタルフィルタの入出力のトリファイラ回路
今回はクリスタルフィルタにラダー型を使う事も想定し、図7のようなLCのマッチング回路にしました。IFの周波数やクリスタルフィルタのインピーダンスによって、LCの値が変わりますので注意して下さい。一般的にはC13はクリスタルフィルタ側だけに付けます。この回路と主な値は表2のようになります。これは500Ωから50Ωへのケースですので、メーカ製のクリスタルフィルタを使う時になるのでしょう。XC=166.67ΩでXL=150Ωとなります。ラダー型の場合は値が全く異なりますので、個別に計算するしかありません。まあ、C12側のマッチングはしていませんので、不充分なのですが・・・。

図7 クリスタルフィルタの入出力の変更後回路

表2 C13とL2の計算値
ラダー型の場合は、50Ω以下から50Ωに上げる事もあります。この場合はC13の位置がI/O側になります。写真5のようなコイルを想定していますが、もちろんトロイダルコアに巻いても大丈夫です。

写真5 クリスタルフィルタの入出力のマッチングに使うL2
次ページは「AFアンプの修正」から
新・エレクトロニクス工作室 バックナンバー
アマチュア無線関連機関/団体
各総合通信局/総合通信事務所
アマチュア無線機器メーカー(JAIA会員)
©2026 月刊FBニュース編集部 All Rights Reserved.