HW Lab
2026年3月2日掲載
矩形波には多くの高調波が含まれていると説明しました。そこで、目的周波数以下の信号は通過させ、それ以上の周波数の信号は通過させないローパスフィルター(LPF)を用いて実験を行います。
まずは、そのLPFを製作します。LPFで矩形波に含まれる高調波成分をカットしようとするものです。こうすることで、高調波が含まれない信号、つまり正弦波が得られることを実験で確かめることが目的です。
抵抗(R)とコンデンサ(C)で構成されたローパスフィルターをRC LPFと呼ぶことにします。LPFで重要なファクターはカットオフ周波数(fc)です。カットオフ周波数とは入力信号に対して出力信号が1/√2(=約0.707倍)、電力比ではちょうど1/2になる点、つまり−3dBになる周波数のことを指します。これは(3)式で求めることができます。


図7. RC LPFとそのカットオフ周波数を求める公式
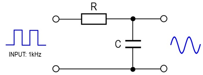
実験にはAGで出力した1kHzの矩形波の信号を用います。この信号をRC LPFに通すことでカットオフ周波数以上の信号を除去します。このとき、オシロスコープで観測した出力信号がビジュアル的に正弦波となり、かつスペアナで高調波成分がなくなっていれば理想的です。

図8. RC LPFに1kHzの矩形波を入力し高調波を取り除く
LPFのカットオフ周波数をどれくらいに設定すれば1kHzの高調波を除去できるか、正直見当がつきません。カットオフ周波数は上記(3)式を用いて電卓で計算をするのもOKですが、ネットサーチで、RC LPFの特性を自動で計算してくれるサイトを見つけましたので筆者はそれを使います。TC Calculatorsのサイトで「RCローパスフィルター・クロスオーバー周波数とボード線図計算」という名称の自動計算ソフトです。
実験に用いる1kHzの矩形波には3kHz、5kHz、7kHz、9kHz・・・ といった奇数倍の高調波が含まれていますから、これらの周波数の信号を除去できる周波数特性になるように入力画面のRとCにそれぞれ定数を入れます。
抵抗とコンデンサの値にそれぞれR=10kΩ、C=0.047µF(473)を入力した結果が図9です。カットオフ周波数(fc)が338.63Hzと算出されました。その周波数特性が図9の左下側のグラフです。

図9. TC Calculatorsが提供するRC LPFの自動計算ソフト
入力信号1kHzの奇数倍の高調波、3kHz、5kHz、7kHz、9kHzにおける減衰量はこのグラフから目視で読み取るとおよそ、図10に記した値となりました。

図10. 周波数特性図から減衰量を確認
図11で示したR=10kΩ、C=0.047µF(473)のRC LPFの入出力の波形を観測します。入出力の波形を図12に示しました。

図11. 計算で求めたRC LPF(カットオフ周波数: 338.63Hz)

図12. RC LPFの入出力の波形測定(WaveSpectra使用)。入出力拡大波形は図13、14を参照

図13. 1kHz矩形波の入力信号(WaveSpectraにて測定 スパン: 10kHz)

図14. RC LPFを通した後の出力信号(Wave Spectraにて測定 スパン: 10kHz)
TC Calculatorsの RC LPF計算ツールを使い、R=10kΩ、C=0.047µFにおける周波数特性から奇数次高調波の減衰量をグラフで読み取りました。その結果、実際にRとCを使って組んだRC LPFの方が、計算ソフトの値よりも減衰量が小さいことが分かりました。それでも、3次高調波では7dB、5次高調波では11dBの減衰が確認できました。

図15. RC LPFの計算による減衰量と実際の減衰量の差
図16に示した入出力の波形において、矩形波の信号(黄色)をRC LPFに通すと正弦波にはほど遠いですがサメの背びれのような三角形の形(水色)になりました。簡単なRC LPFですが高調波の減衰として機能しているようです。次号ではさらに正弦波に近い波形を求めて後編の実験に続けます。

図16. RC LPFを通す前(黄色)と通した後(水色)の信号の波形
TC Calculators: RC ローパスフィルター - クロスオーバ周波数とボード線図計算
https://www.trance-cat.com/electrical-circuit-calculators/rc-low-pass-filter-calculator.php
日刊工業新聞社: 分かりやすいフィルタ回路入門
WaveSpectra: (高速リアルタイムスペクトラムアナライザー)
https://efu.sub.jp/soft/ws/ws.html
HW Lab バックナンバー
アマチュア無線関連機関/団体
各総合通信局/総合通信事務所
アマチュア無線機器メーカー(JAIA会員)
©2026 月刊FBニュース編集部 All Rights Reserved.