新・エレクトロニクス工作室
2026年2月16日掲載
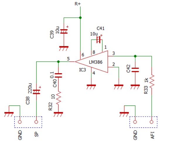
AFアンプは図8のようなオーソドックスな回路です。時々ですがLM386が発振する事があったので、この場合は基板裏でCRを5ピンに付けていました。

図8 AFアンプのオリジナル回路
これを図9のように基板に入れました。追加したCRは不要な場合もありますが、最初につけておけば面倒はありません。

図9 AFアンプの変更後回路
このように、トータルでは図10の回路としました。IFアンプを新しいFETにする方法もありますし、3段にする等の考え方もあります。AGCを改善する事もあるのでしょう。ここでは令和版にするという事で、基本的には極力オリジナルのままにしたつもりです。
なお、この回路ではT1~T6のコイルはFCZ14と同等のものを使う想定としています。実際に使うクリスタルフィルタの周波数に、コイルとコンデンサを合わせます。図10では100pFとしていますが、これは10.7MHzと11.275MHzの場合です。いずれにしてもIF周波数に同調する値にして下さい。
基板を発注し、写真6のように届きました。ハンダ面が写真7になります。どちらも左側が最初の基板で、右側がクリスタルフィルタの穴の位置を多少修正したものです。クリスタルフィルタには第43回で作ったものが使用できます。このフィルタは、このために使うのが目的でした。

写真6 外注して作製した基板(左: 初版、右: 修正版)

写真7 基板のハンダ面(左: 初版、右: 修正版)
ハンダ付けはオリジナルの基板よりも簡単と思います。部品を誤っても、交換に苦労しない程度のサイズのスルーホールにしています。もちろん、それなりの労力はかかります。ハンダ付けが終わったところが写真8になります。このハンダ面が写真9のようになります。

写真8 完成した基板(ラダー型バージョン)

写真9 作製済みの基板のハンダ面
キャリア発振回路を修正しましたので、特殊な部分があります。最初はトリマーを付けません。JP1だけショートして下さい。つまり水晶だけで発振させる事になります。これで希望の周波数にピッタリ合っていれば、そのままにします。低くしたい場合はJP1をショートのままでJP2もショートし、VC2のトリマーをハンダ付けして調整します。周波数を高くしたい場合は、JP1のショートを外します。JP2にショートがあれば外します。VC1にトリマーをハンダ付けして調整します。いろいろと試行錯誤をすると、写真8のようにトリマーが両方に残る事になります。これは外すのが面倒だからですが、ジャンパーによって接続されるトリマーは片方だけです。ジャンパーは、基本的にはVC1,VC2共にショートか、共にオープンになります。
このような規模の基板を発注するのは初めてでした。後から気が付いたのですが、C13は場合によって付ける位置が異なります。ところが、トリマーのVC1とVC2もどちらかに付けるのですが番号を変えています。同じ基板内でポリシーが違う事に後々になって気が付きました。これはまずかったと思います。
この基板ですが若干数が残っています。ご希望の方は私まで(私のコールサイン@kha.biglobe.ne.jp)お知らせ下さい。SASEでお願いしますがこの基板の場合は2枚以上になると50gを超えてしまいますので110円では届きません。別途指定します。また、基板一枚につき110円切手5枚を同封願います。
この基板は難易度が高いものです。昔々に組み立てた経験があり、トラブル等も自分で解決できる方に限ります。部品の調達やトラブル等の対応はできませんので、御了承をお願いします。私も写真10のように5台ほど作りましたが、そのたびに何らかの異なるトラブルがありました。昔々に作っていても全く同じですが、随分と鍛えられました。

写真10 このように5台を作製した
このように基板ができると、次はどうしようかとワクワクします。この続編も「多分」ありますので、少々お持ち下さい。
参照文献 CQ誌1981年7月号
新・エレクトロニクス工作室 バックナンバー
アマチュア無線関連機関/団体
各総合通信局/総合通信事務所
アマチュア無線機器メーカー(JAIA会員)
©2026 月刊FBニュース編集部 All Rights Reserved.