HW Lab
2025年11月17日掲載

スイッチングレギュレーターは軽量、コンパクトに加え廉価であるメリットは捨てがたいですが、ハムにとって電源から輻射されるノイズが気になります。電子工作の実験を行っていてもスイッチングレギュレーターから輻射されるノイズや出力電圧に重畳されるノイズが悪さをして実験結果に影響を与えることもあります。
そこで今回は、三端子レギュレーターを用い、1.2V~15Vの電圧可変、3Aの電流容量を持った実験用シリーズ型定電圧電源を製作します。

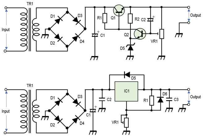
自作の定電圧電源の定番といえば図1(上)に示すトランジスターを使った回路です。入出力間に直列に電圧制御の回路があることからシリーズレギュレーターあるいはシリーズ型定電圧電源とも呼ばれています。シンプルな回路ですので動作も安定しています。電圧変換に発振回路を用いていませんのでノイズの輻射もありません。下に示す回路では、出力端子のショートに対する保護回路は付いていません。出力端子をショートするとQ1、Q2は壊れますので保護回路を付加する必要があります。こうなると部品点数も増え、シンプルな回路が少々複雑になります。

図1. (上)トランジスターを使用した定電圧電源の定番回路
(下)電圧可変機能付き三端子レギュレーターを使った定電圧電源の基本回路
反面、できるだけ部品点数を減らし、かつトランジスターで回路を組んだ時の欠点をなくしたものが図1(下)の回路です。この回路もシリーズレギュレーターです。定電圧の制御には出力電圧を可変できる三端子レギュレーターを使います。アクティブ素子はこのICだけです。ICには出力端子をショートしてもICが壊れない保護回路が組み込まれていますので回路の簡素化には有効です。
今回の製作で使用する三端子レギュレーターの品番はLM338Tです。データーシートによると放熱器を取付けると5Aまで流せるとの説明ですが、こうなると使用するトランスも5Aを供給する大きなサイズのものが必要となり、重量やサイズとコンパクト性のトレードオフとなってしまいます。
三端子レギュレーターといえば78シリーズが有名です。7805の出力電圧は5Vで放熱板を取付けることで1A以上の電流を流すことができますが、電圧可変の機能は付いていません。ここでは、出力電圧を可変したいことに加え、3A程度の電流容量を持たせたいことから図2に示す三端子レギュレーター(LM338T)を使います。
使用する回路はLM338Tのデーターシートに記載されているTypical Applicationsから引用します。この三端子レギュレーターは、最低電圧が1.2Vから設定できます。1.5Vで動作する電子回路にも使うことができたいへん便利です。

図2. LM338Tの外観(形状: TO-220)
LM338Tの仕様は、メーカーのデーターシートによると次のように記載されています。
・ピーク: 7A出力
・出力電流: 5A
・電圧可変: 最低1.2Vまで調整可能
・保護回路: 温度、ショートなど
LM338Tを使った定電圧電源の回路は、このICのメーカーより公開されているデーターシートを参考にしています。今回製作した電源には2系統の出力端子を設けています。一つはメインとなる実験用の電圧可変の電源です。もう一つは、USBコネクターから出力される5Vの電源です。両方の電源に接続された負荷に流れる電流の合計が最大3Aです。全体の回路図を図3に示します。
(1) 1.2V~15V電圧可変定電圧電源
図3の上半分が今回製作したメインの部分です。回路図上で赤く塗ったプラスライン、あるいは青く塗ったアース(GND)ラインには最大3Aの電流が流れます。線材の太さに留意してください。今回の製作にはφ1.2mmの錫メッキ線を使用しています。
(2) USB用電源
USB機器の充電等に使えるようにUSBタイプAのCYコネクターを取付けました。出力電圧は5Vで、電流は最大1Aです。USB電源が不要な場合は、この回路を削除してください。

図4. USBタイプA CYコネクター
図3に示す回路の下側がUSB用の電源回路です。使用したトランスの二次側の中点に6Vの電圧が出ているので、この6Vをダイオードブリッジで整流し、電解コンデンサーで平滑したのち5Vの三端子レギュレーターに入力しています。
次ページは「組み立てから」
HW Lab バックナンバー
アマチュア無線関連機関/団体
各総合通信局/総合通信事務所
アマチュア無線機器メーカー(JAIA会員)
©2026 月刊FBニュース編集部 All Rights Reserved.