新・エレクトロニクス工作室
2026年1月15日掲載
前回は製作までを紹介しました。今回は、実際に使った結果の紹介になります。測ってみると良く解るのですが、クリスタルフィルタのインピーダンスは実際のインピーダンスではありません。リップルが少なくなるインピーダンスを知るのが目的です。これが使うべきインピーダンスになります。インピーダンスを変えて特性を観察すると、帯域内の細かい周波数でレベルが変動します。つまり実際のインピーダンスは帯域内で変化しています。結局のところ、実際のインピーダンスに意味はないのです。
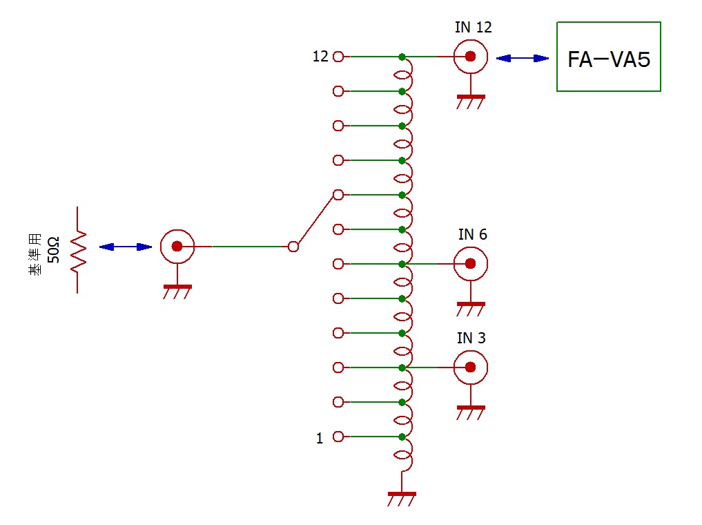
最初に図1のような接続で、各接点から見たインピーダンスを測ってみました。スペアナ側のBNCコネクタには基準用の50Ωを付けていますので、巻き数の計算値とどの程度相違があるかが解ります。タップ12を使っていますが、概ね他も想像できると思います。周波数は9MHzとしました。右側と左側がありますが、これは左側で測ったものです。若干ですが構造の相違がありますので、結果も多少の相違はあるのでしょう。
直結したので写真1のように不格好になりました。ただ、このような測定の場合、長さは誤差に直結します。特に50Ωから外れたインピーダンスの線路では注意が必要です。不格好でも極力短い距離で接続するべきでしょう。

写真1 直結したので、不格好に・・・
このようにタップ12を使って、ロータリースイッチの接点1~12を測ったのが、表1になります。マーカを9MHzに置いて測った値になります。やはり巻き数比が大きいほど誤差が大きくなります。特に接点1では計算上7.2kΩなのですが、1.92kΩしかありません。jの値も大きくなっています。

表1 インピーダンスの計算値と測定値(9MHz)の比較
実際には0.4~15MHzを測り、9MHzにマーカを置いています。周波数が高いほど誤差が大きくなると予想したのですが、実際にはそうでもありませんでした。4MHz以下はトロイダルコアの特性なのでしょう。誤差が出始めました。455kHzが全く測れないという事ではありませんが、誤差が大きくなりました。
このように、インピーダンスが1kΩ以上では誤差が急に大きくなります。原因ですが、この原稿の締め切り間近になって気が付いた事があります。このようなトロイダルコアではなく、1:9のPADを2段繋げて同様に測ってみました。すると、全く同じように1kΩ以上になると頭打ちになるのです。1:9が1段では430Ω程度です。計算上は1:9の2段ですので50Ω×9×9=4050Ωになるはずですが、1.8kΩ程度にしかなりません。このような変換をするとロスを生じます。すると、本来は4050Ωで反射が大きいのですが、反射して戻るレベルもロスで減少します。実際に図1の状態で50Ωを外してオープンにすると、どの接点でも2.6~2.8kΩになりました。これでは大きなインピーダンスには変換できません。逆に50Ωより小さい時には抵抗値が大きく見えます。従って、表1のように1kΩ付近から急に誤差が大きくなるのでしょう。
次に写真2のような7.8025MHzのクリスタルで作った2.8kHz幅のフィルタを測ってみました。これは第43回のクリスタルフィルタの作製で、写真と回路だけを紹介したものです。

写真2 7.8025MHzのクリスタルで作った2.8kHz幅のフィルタ
計算上のインピーダンスは362.42Ωです。クリスタルフィルタを接続するタップは12を用いました。これでロータリースイッチの接点1~12で測ったのが、測定結果1~12になります。各々に接点の位置と、計算上と上記で測定したインピーダンスを示しています。なお、ノーマライズはスペアナとTGの間で行っています。本来はクリスタルフィルタの入出力間で行った方が、フィルタのロスも正確に測定できます。この場合は冶具を含めた特性になりますので、手抜きと言えばその通りです。

測定結果1 接点1でフィルタから見たインピーダンスは1920+j639Ω(計算値は7200Ω)
ロスが大きいのは冶具のロスが加わるためと思われる

測定結果2 接点2でフィルタから見たインピーダンスは1070+j285Ω(計算値は1800Ω)

測定結果3 接点3でフィルタから見たインピーダンスは610+j174Ω(計算値は800Ω)

測定結果4 接点4でフィルタから見たインピーダンスは382+j125Ω(計算値は450Ω)

測定結果5 接点5でフィルタから見たインピーダンスは274+j96.5Ω(計算値は288Ω)

測定結果6 接点6でフィルタから見たインピーダンスは213+j72.9Ω(計算値は200Ω)

測定結果7 接点7でフィルタから見たインピーダンスは139+j51Ω(計算値は147Ω)

測定結果8 接点8でフィルタから見たインピーダンスは108+j34Ω(計算値は113Ω)

測定結果9 接点9でフィルタから見たインピーダンスは86.1+j21Ω(計算値は89Ω)

測定結果10 接点10でフィルタから見たインピーダンスは70.3+j11.4Ω(計算値は72Ω)

測定結果11 接点11でフィルタから見たインピーダンスは58.3+j5.16Ω(計算値は60Ω)

測定結果12 接点12でフィルタから見たインピーダンスは49.3+j2.13Ω(計算値は50Ω)
このように、低過ぎるインピーダンスで使うと高い周波数でのリップルが大きくなり、逆に高過ぎるインピーダンスの場合は低い周波数でのリップルが大きくなる事が目に見えて解ります。そして、この場合は接点5と6の中間に最良があるように見えます。つまり250Ω程度で、計算上の362.42Ωより低くなりました。フィルタを計算する時に端子間容量を使うのですが、この測定時に誤差があった可能性もあります。数pF程度の値を測るので、誤差も仕方ありません。
次ページは「4.5MHzの測定から」
新・エレクトロニクス工作室 バックナンバー
アマチュア無線関連機関/団体
各総合通信局/総合通信事務所
アマチュア無線機器メーカー(JAIA会員)
©2026 月刊FBニュース編集部 All Rights Reserved.